The Siemens Community Catalyst program was co-created with our community to acknowledge technology leaders who consistently contribute to the Siemens Community. Nominations are accepted on a rolling basis.
Applications that use the optimization feature of Embed
Hi Reg,
When you downloaded the diagram, was it renamed as a VSMX file. If yes, rename the VSMX file as a VSM file and try to open it in Embed.
Let me know if that works.
Best Regards,
Karen
Hi WoodyRKW,
There are two types of optimization: per time step and per simulation run. Which one are you interested in? Also, have you looked at the optimization examples under Examples > Optimize.
Hi Karen
Thanks for the reply.
I have reviewed the examples under Optimize but not able to resolve issue.
Am I able to send you a couple of files ———- I think would make it easier to determine
why I am experiencing the present situation.
Reg
If you could attach the diagrams to this discussion, it will be easier for Embed team and Tech Support to review and make recommendations.
Thanks,
Hi Karen,
Many thanks for your replies.
I have attached some files for your reference.
I hope that I have not made some dumb mistake in settting up the optimization.
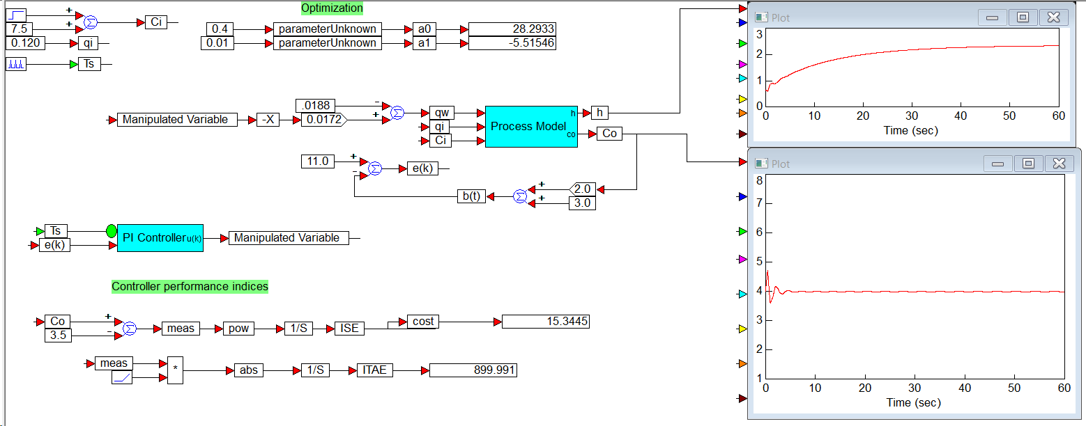
You will note that the optimizations files show some unexpected results. The ISE values are also higher that obtained using trial and error (selected) controller constants.
Do not hesitate to ask for clarification or additiional information.
I am making some mistake in my communication —————— how do I avoid the
YES/NO??? What should I do to avoid use of "Post Comment"?
Material I sent to you is not appropriate as a general comment.
Did you receive my communications ——— sent earlier today.
Hi Woody,
The optimizers will vary the parameter unknowns searching for a minimum cost solution. In the process it might try values that can disrupt your model if it isn't carefully constructed. In your case you had a sqrt in your plant that could go negative for certain values of a1 and a2, which causes a system fault to be detected and disrupts the optimization process. I added a limit block to prevent a negative value flowing into the sqrt and the optimization went fine. A few more points: you should use fixed bounds so can see the responses that the optimizer gets when trying different values, you should be sure to keep wires as short as possible to keep the diagram compact and easily understandable.
I've attached your modified diagram illustrating the points above.
Comments concerning October 4, 2025 message from pdarnell
I understand comment about limit in modified model. However the simulation is robust enough that selecting the choices of either retry and abort both result in stable simulation.
In the simulation reply, parameter bounds were set but simulation result reports controller constants which do not satisfy specified parameter bounds. Under what circumstances are parameter bounds ignored?
It is to be noted that the ISE value of 15.34…… exceeds the ISE value of 8.57…. using the selected constants of a0=1.0 and a1=0.02 ———- from trial and error simulations.
Good points Woody. only "Generalized Reduced Gradient" method supports limits on parameterUnknown blocks, however it appeared to ignore your bounds in this case (smells like a bug!). I created an "unknown" compound block that generates an error value if the unknown exceeds the bounds. The bounds are set via dialog constants (right click on the compound to change). There is an additional bounds error output proportional to the boundary error that is
added to the cost function to avoid a solution in an undesired unknown space.
It finds a solution of a0=2.7, a1=.31 for ISE=19.3 (see below), you also said that a0=1, a1=.02 should give ISE=15.3, but I get ISE=27.5 for those values. The modified diagram is attached below.
@pdarnell
Jocelyn has suggested that perhaps I should contact you.
I am not able to download the file of your October 25, 2025 communication.
When I attempt to dowload the simulation file the result is a line by line listing of primitive code.
I shll look for your guidance,
Many thanks.
Not able to download the October 27, 2025 simulation file.
See previous comment.
Thanks
What version of Embed are you using? The VSMX file format is new and it contains any additional files used by the diagram.
Thanks for the prompt reply to my message of November 9. 2025.
The version of the currently installed Embed program that I use is
Altair Embed Personal 2025.2 Build 14.
I think the issue does relate to version VSM versus version VSMX. The file that was sent by Peter on October 4, 2025 was version VSMX. The file sent on October 27_20946, that results in the primitive coded, when I attempt to download, was in version VSM.
Download and execution of the October 4, 2025 file is perfect. I did not attempt any renaming. Perhpas it would be possible to send me the October 27 file in the VSMX version of Embed.
I shall look for further communication.
Regards.
Reg, can you right-click the diagram, click Properties, and see if the diagram is blocked:
I would like you to try this:
You should be able to open the diagram in Embed now. Let me know if this works.
Success!!
I will respond with more detail in the next few days.
Many thanks——— I can now proceed to understand the optimization features of Embed for use in selecting "optimum controller constants".
Hi Karen, @pdarnell
Now that I have been able to review the file that pdarnell sent in his October 27, 2025message I would like to make contact with him for some clarification.
Since I do not seem to have any quidelines regarding this service (as it relates to the use of a "tag") , is it OK for me to send a comment directly to pdarnell? As you can see, I have used a tag on this message
I am sorry to bother you. I shall look for your response.
Thanks.